AIL 7514 Documentation

The AIL 7514 PANFI is an instrument which provides an analog readout of the noise figure of a unit under test (UUT).

7514 Op and Maint Manual PDF
Scanned by KK6MK from a copy of the original hard manual and converted to a pdf file. I think the paper copy came from W6BY.
The size of this pdf file is about 19 MB.
Schematics from 7514 Op and Maint Manual ZIP
The pdf 7514 manual was scanned as all letter-sized pages, so some pull-out schematic pages were split into multiple pages in the pdf. This zip file contains a series of png image files that are rejoined versions of these pull-out schematic pages. This zip file size is about 2.4 MB.
Option 09 PDF
Manual for 7514 Option 09 -- Broadband Mixer with 6 selectable IF bands. This was scanned by Jerry, W7QX, and converted to PDF by Warren, K2BM. I added a picture of the front panel to the beginning of this PDF. This file is about 2.8 MB in size.
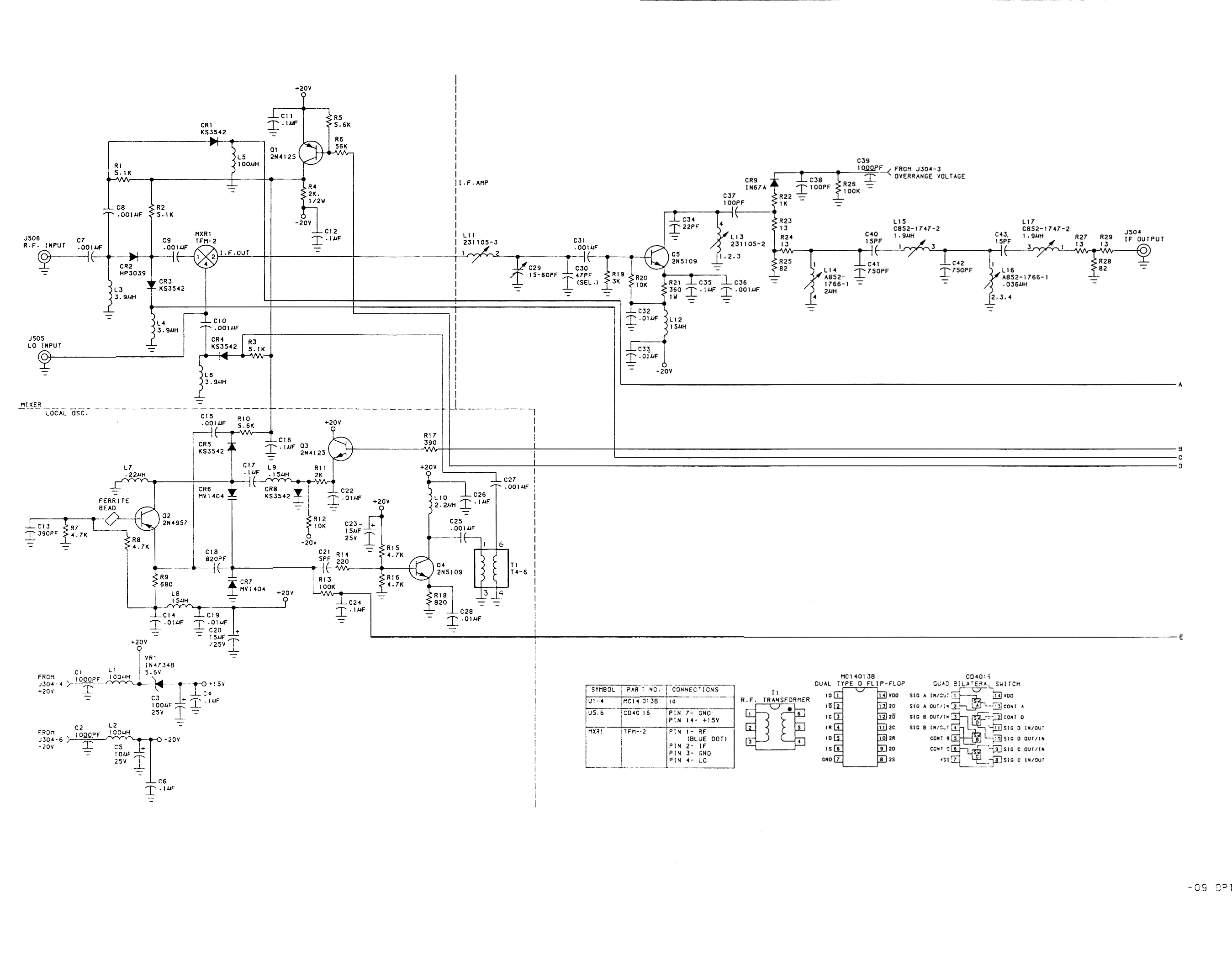
Opt09 Schematic 1 GIF
First page of schematic for Option 09. This is from two pages of the pdf stitched back together.
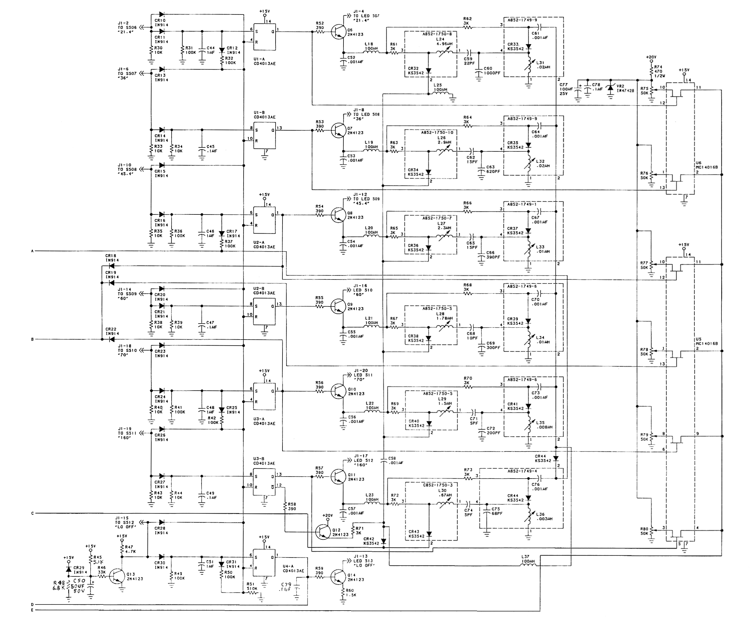
Opt09 Schematic 2 GIF
Second page of schematic for Option 09. This is from two pages of the pdf stitched back together.

Selections

Home
Tech Info
Option 09 PDF Opt09 Schematic 1 Opt09 Schematic 2